跳到主要内容

LED流动灯电路

本文中,我们将看到不同的LED流动灯电路,这些电路也被称为LED骑士灯电路。这些电路可以用于汽车、摩托车、自行车等,因为它们会给观众带来一种引人注目的视觉效果。

我们设计了4种不同的LED流动灯电路,使用非常简单的元件。在第一个电路中,我们通过基于晶体管的无稳态多谐振荡器实现了闪烁的LED。

第二个电路基于IC CD4017,我们实现了追逐的LED。在这种电路中,LED以一种顺序的方式依次点亮。第三个电路也使用CD4017实现,在这个电路中,LED将以不同的模式发光,即双向流动的LED。

在最后一个电路中,LED最初在一个方向上移动,然后反向移动。这意味着,其模式与钟摆相同,来回移动。

这个电路可以用于汽车的装饰,或者在紧急情况下,当你的汽车抛锚并且你需要帮助时,它也会很有用。

接下来,我们将看到每个电路的详细信息,包括电路图、所需元件和工作原理。

1. 简单LED流动灯电路(闪烁的LED)

在本项目中,我们设计了一个简单的闪烁LED电路。我们使用了两组LED(每边3个),它们将交替点亮,从而产生明亮的闪烁效果。

alt text
alt text
alt text
alt text

1.1 电路图

alt text

1.2 所需元件

  • 2 x 2N2222A(NPN晶体管)
  • 2 x 22µF – 50V电容器(极性电容)
  • 2 x 46 KΩ电阻(1/4瓦)
  • 6 x 8mm高亮白色LED
  • 12V电源
  • 连接线
  • 面包板

1.3 项目工作原理

从电路图中可以看出,该项目基于简单的无稳态或自由运行多谐振荡器。当电路接通时,一个晶体管将处于导通状态(饱和),而另一个将处于截止状态。

假设Q1导通,Q2截止,电容C2将通过串联的LED充电。由于LED连接在电流路径中,它们将亮起。

在此期间,晶体管Q2由于电容C1的放电(因为负极连接到Q2的基极)而处于截止状态。经过时间常数(C1R1)后,电容C1完全放电并开始通过R1充电。

充电方向相反。随着电容的充电,它会积累足够的电压(0.7V)来导通晶体管Q2。此时,电容C2开始通过Q2放电。

由于连接到晶体管Q1基极的电容C2的极板变为负极,晶体管Q1被关闭,这组LED也熄灭。

现在,电容C1开始从相应的串联LED(通过Q2的基极)充电。由于这组LED连接在电流路径中,它们将被点亮。

现在电容C2放电,完全放电后,它将开始通过R2充电。随着电容C2中电荷的积累,当电压达到0.7V时,它将导通晶体管Q1。从这一点开始,过程将重复进行。

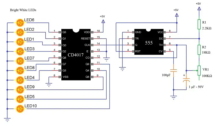
2. 使用CD4017和555的LED追逐电路

LED骑士灯系列中的第二个项目是一个使用CD4017十进制计数器和555定时器IC的LED追逐电路。我们将看到电路图、使用的元件和该项目的工作原理。

alt text

2.1 电路图

alt text

2.2 所需元件

  • 1 x CD4017十进制计数器IC
  • 1 x 555定时器IC
  • 1 x 18 KΩ电阻(1/4瓦)
  • 1 x 2.2 KΩ电阻(1/4瓦)
  • 1 x 100 KΩ电位器
  • 1 x 1 µF – 50V电容器(极性电容)
  • 1 x 0.1 nF陶瓷圆盘电容器(100 pF代码101)
  • 10 x 8mm高亮白色LED
  • 连接线
  • 5V电源
  • 面包板

2.3 项目工作原理

在本项目中,我们设计了一个简单的LED追逐电路,其中的LED依次点亮,给我们一种一个LED追逐另一个LED的效果。我们现在来看该项目的工作原理。

首先,我们在电路图中注意到电路分为两部分:555定时器部分和带有LED的CD4017十进制计数器IC部分。在这个项目中,555定时器IC被配置为无稳态多谐振荡器。

在这种模式下,它产生一个脉冲,其频率由元件R1(2.2 KΩ)、R2(18 KΩ)、VR1(100 KΩ)和C1(1µF)决定。通过调节100 KΩ电位器可以控制脉冲的频率。

这个脉冲被输入到CD4017十进制计数器IC的时钟输入端。通过了解CD4017的工作原理,对于其时钟输入端接收到的每一个时钟脉冲,计数增加1,因此每个输出端将在每个相应的时钟脉冲下变为高电平。

由于它是一个十进制计数器,我们将得到一个10的计数,由于我们将高亮白色LED连接到了输出端,每个LED将在相应的引脚变为高电平时点亮。

在10个时钟脉冲后,计数将被重置并重新开始。如果LED以圆形方式放置,我们将得到追逐LED的效果。

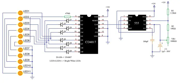
3. 使用11个LED、CD4017和555定时器IC的双向流动LED

这是另一个流动LED电路,但与之前的流动LED电路不同的是,在之前的电路中,它被设计为单向流动LED电路,而在这个电路中,LED将双向流动。

alt text

3.1 电路图

alt text

3.2 所需元件

  • 1 x CD4017十进制计数器IC
  • 1 x 555定时器IC
  • 1 x 18 KΩ电阻(1/4瓦)
  • 1 x 2.2 KΩ电阻(1/4瓦)
  • 1 x 470 Ω电阻(1/4瓦)
  • 1 x 100 KΩ电位器
  • 1 x 1 µF – 50V电容器(极性电容)
  • 1 x 0.1 nF陶瓷圆盘电容器(100 pF代码101)
  • 8 x 1N4007 PN结二极管
  • 11 x 8mm高亮白色LED
  • 连接线
  • 12V电源
  • 面包板

3.3 项目工作原理

双向流动LED项目的工作原理与LED追逐电路相似,只是LED的排列方式不同。我们现在来看该项目的工作原理。

555定时器部分(操作与上述电路中解释的相同)产生脉冲信号,该信号被输入到CD4017计数器的时钟输入端。连接到CD4017的Q0的LED6将首先亮起。

连接到CD4017的Q1的LED5和LED7将接着亮起。连接方式如电路图所示,这个过程一直持续到Q5,它连接到LED1和LED11。到这一步为止,单向点亮LED的过程已经完成。

为了实现LED的双向点亮,Q6连接到LED2和LED10,Q7连接到LED3和LED9,依此类推。

最终效果将是双向流动的LED,序列如下:LED6(Q0)、LED5 – LED7(Q1)、LED4 – LED8(Q2)、LED3 – LED9(Q3)、LED2 – LED10(Q4)、LED1 – LED11(Q5)为单向,接着是LED2 – LED10(Q6)、LED3 – LED9(Q7)、LED4 – LED8(Q8)、LED5 – LED7(Q9)。

4. LED骑士灯电路图

4.1 电路图

alt text

4.2 电路所需元件

  • IC
    • NE555 – 1
    • CD4017 – 2
  • 电阻
    • R1 (1K) – 1
    • R2 (100K) – 1
    • R3 (10K) – 1
    • VR1 (100K) – 1
  • 电容
    • C2, C1 (.1uf) – 2
  • 二极管
    • D1-D9 (1N4148) – 9
  • 晶体管
    • Transistor (BC547) – 1
  • LED
    • LED1-LED9 – 9

4.3 说明

为了熟悉电路的工作布局,了解每个引脚的功能非常重要。IC CD4017有16个引脚,其中3个是输入引脚,10个用于输出,一个用于接地,一个用于电源,还有一个用于进位输出。以下是IC CD4017的引脚图。

alt text

4.3.1 输入引脚

  • 复位引脚(引脚15):通过此引脚将计数器重置为零。假设你希望计数器从第三个引脚开始计数,那么你需要将第四个输出连接到15引脚。因此,每经过第三个输出后,计数将自动从零开始。
  • 时钟引脚(引脚14):每当IC的引脚14变为高电平时,就会提供输出。例如,对于时钟引脚的第一个脉冲,引脚3将提供输出,对于下一个时钟脉冲,引脚2将提供输出,依此类推。经过10个时钟脉冲后,它将再次从Q0输出开始。
  • 时钟禁止引脚(引脚13):此引脚用于将计数器的状态从开切换到关,反之亦然。如果希望关闭计数器,引脚13应达到高电平。如果它处于高电平,则不会关注时钟脉冲,无论你按下开关多少次,计数都不会向前推进。在我们的电路中,引脚13接地。

4.3.2 输出引脚(引脚Q0 – Q9)

这些引脚以顺序方式提供输出。例如,引脚3将在第一个脉冲时提供输出,依此类推。

4.3.3 接地引脚(引脚8)和电源引脚(引脚16)

IC的引脚8提供接地,而引脚16提供电源,以确保IC的正常工作。

4.3.4 进位输出引脚(引脚12)

通过此引脚,可以将一个或多个IC CD4017连接起来。假设你希望连接另一个CD4017,则将引脚12连接到其后代的输入时钟。主CD4017的进位引脚连接到第二个时钟输入,类似地,第二个进位引脚连接到第三个时钟输入,依此类推。你可以在电路图中看到这一点。

4.4 电路设计

本电路基于两个IC:NE555和CD4017,以及一些其他元件。在该电路中,IC 555定时器被用作无稳态振荡器。

IC CD4017被用作CMOS计数器/驱动器。每次接收到时钟脉冲时,它都会通过时钟输入获取时钟脉冲,并使所有10个输出依次打开。这是一个众所周知的IC,它在许多其他项目中也非常有用,例如追逐灯、矩阵骰子等。

在本电路中,IC NE555被用作无稳态模式,用于为电路产生时钟脉冲。它用于向IC1的引脚3(输出引脚)提供振荡波。

通过VR1可以改变振荡的速度。555定时器的振荡频率可以通过以下公式计算:

f=1.44R1+2×(VR1)×C1f = \frac{1.44}{R1 + 2 \times (VR1) \times C1}

在本电路中,计数将从0开始,直到16,因为我们使用了两个十进制计数器。电路中的IC2负责从0到9的计数,而通过二极管,IC3将完成其余的计数。

当555定时器获得电源时,IC1的引脚3输出被发送到CD4017的引脚14(十进制计数器),这反过来为IC2的工作提供时钟脉冲。CD4017在接收到时钟输入后,从零开始计数(因为它有内置计数器)。

并且在引脚14变为高电平后,它依次将信号传递给每个引脚。例如,在初始阶段,输出Q0将在引脚3接收,并且LED1将闪烁,LED2将在引脚4亮起,依此类推。

当计数器到达引脚11,即第九个输出时,它将产生一个临时的高电平,该电平连接到引脚13(时钟禁止)。如果引脚处于高电平,时钟脉冲将被忽略,IC2的计数将停止。

作为回报,IC3的引脚15变为低电平,因为之前的晶体管BC547处于高状态。由于这个低信号,IC3的引脚15在短时间内重置为低状态,IC3的输出从Q0(引脚3)开始计数,并依次向前推进。

当它到达Q8,即引脚9时,它再次连接到IC3的引脚13,无论输入信号如何,IC3的计数都将停止。如果引脚13处于高电平,引脚14将忽略时钟脉冲,这意味着IC3停止计数。

这将再次发送到IC2的复位引脚15,并且IC2现在开始计数,IC3的计数被禁用。

这也意味着,当IC2的输出计数完成时,IC3停止计数,反之亦然,IC2在IC3计数时停止。因此,IC3的输出信号以相反的方向传输到IC2。