跳到主要内容

简单的 LED 闪烁电路

LED(发光二极管)是一种半导体发光二极管。我们知道,二极管允许电流单向流动,而反向电流则会被阻止,从而保护电路中的其他元件。LED 也具有相同的功能,但在允许电流通过时会发出微弱的光,为普通人类提供电路正在工作的视觉信号或指示。LED 在许多应用中都有广泛的使用,主要用于电子设备中的视觉指示、测量和与过程的交互,以及在电视或广告牌上显示图像等。

以下是两种 LED 闪烁电路。第一种是跳舞双色 LED(两种不同颜色的 LED),两种颜色的 LED 将按顺序运行。在第二种电路中,我们将以固定的时间间隔闪烁 LED。

1. 跳舞双色 LED 电路

通常在跳舞灯中使用低压灯泡。该电路主要用于节日、装饰品或视觉指示标志等场合。在本项目中,我们使用双色 LED 实现顺序闪烁的灯光效果。

2. 双色 LED 电路原理框图

alt text

定时器用于设置双色 LED 面板的顺序流动速率。CD4017 是一个十进制计数器,提供定时功能,并根据设定的时间使 LED 开启或关闭。

该电路的主要元件:

CD4017: CD4017 是一个 16 引脚的十进制计数器,其中 10 个引脚用于输出。CD4017 通过时钟脉冲触发。十进制计数器的主要工作原理如下:当一个时钟脉冲作为输入时,第一个时钟脉冲仅使一个输出引脚变为高电平,其余所有输出引脚保持低电平。对于第二个时钟脉冲,另一个输出引脚变为高电平,其余所有引脚保持低电平,依此类推。输出引脚的高电平时间周期取决于脉冲的宽度。CD4017 广泛应用于需要计数器的场合。

CD4017 时钟脉冲从输出引脚的时序图如下所示:

alt text

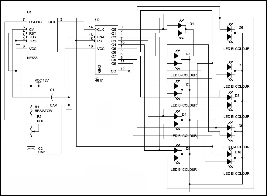
2.1 双色 LED 跳舞灯电路图

alt text

电路图说明:

  • 在双色 LED 中,应按照电路图将其连接到计数器。第一个双色 LED 的阳极连接到第十个双色 LED 的第二个阳极,其余 LED 按照相同的方式连接,但第一个双色 LED 的第二个阳极连接到 CD4017 的复位引脚。所有双色 LED 的阴极均接地。
  • 该电路的主要工作依赖于配置为无稳态多谐振荡器模式的 555 定时器和十进制计数器 CD4017。555 定时器将产生低频时钟脉冲,并将其输入到十进制计数器,从而实现 LED 的顺序闪烁。
  • 可变电阻可以改变电阻值,从而改变脉冲的宽度。如果脉冲宽度发生变化,LED 的闪烁时间周期也会相应改变。我们可以通过可变电阻调节 LED 的闪烁速度,使其快速或慢速闪烁。将第十个双色 LED 的第一个阳极连接到十进制计数器的复位引脚,以实现灯光的连续闪烁。

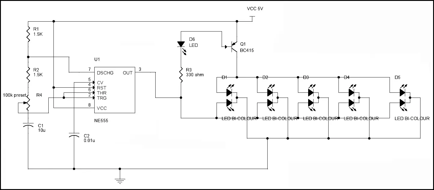
3. LED 闪烁器电路

LED 闪烁器是一个简单的电路,能够以固定的时间间隔闪烁 LED。该电路可用于装饰目的,也可用于信号指示等其他用途。

3.1 LED 闪烁器电路原理框图

alt text

555 定时器用于产生 PWM 信号,从而导致 LED 闪烁。LED 的闪烁速度由连接到 555 定时器的电位器决定。PNP 型晶体管用于闪烁 LED。

3.2 LED 闪烁器电路图

alt text

电路说明:

  • 555 定时器被配置为无稳态多谐振荡器。连接到定时器的电位器应预先设置,并用于调节 LED 的闪烁或闪烁速度。
  • 该电路中使用了双色 LED,并按照原理图相互连接。555 定时器产生的 PWM 信号被送入晶体管,晶体管作为反相器使用。当 555 定时器产生的脉冲为低电平时,晶体管导通,LED 点亮。当晶体管的输入为高电平时,晶体管截止,LED 熄灭。LED 的导通/截止将在每个脉冲宽度信号周期中重复。这种机制将使 LED 闪烁。

4. LED 闪烁电路的应用

  • 跳舞 LED 电路可用于高速公路的任何视觉指示标志,也可用于广告牌。
  • LED 闪烁电路可用于信号指示目的(如果处于危险之中,可以将其用作求救信号)。
  • LED 闪烁电路可用作闪烁的信标。
  • LED 闪烁电路可用作车辆故障指示灯,当车辆在道路中间抛锚时,可用于手术室或办公室,作为您正在忙碌工作的指示。
  • 这两种电路有众多的应用场景。