跳到主要内容

自行车转向信号电路

在本项目中,我将演示如何设计一个简单的自行车转向信号电路,该电路使用 555 定时器集成电路、几颗 发光二极管(LEDs) 以及其他一些易于获取的元器件。

alt text

1. 引言

转向指示灯,也被称为方向指示灯(正式名称)或闪烁灯、闪光灯(非正式名称),是所有机动车(无论是摩托车还是汽车)的必要组成部分。它们向其他道路使用者表明我们打算左转或右转的意图。在设计和集成车辆上的转向灯时,制造商必须遵守许多法规和标准。

自行车转向信号灯用于向其他道路使用者表明左转或右转的意图。你有没有尝试过设计自行车转向指示灯?本文将向你解释如何设计这些自行车转向指示灯。

2. 自行车转向信号电路原理

该电路的目标是为自行车/车辆指示左转或右转。该电路的主要部件是著名的555定时器集成电路。在这里,555定时器作为无稳态多谐振荡器工作。它产生宽度可变的脉冲信号。利用脉冲的可变宽度,我们可以为LED设置不同的时间延迟(LED的开启和关闭)。

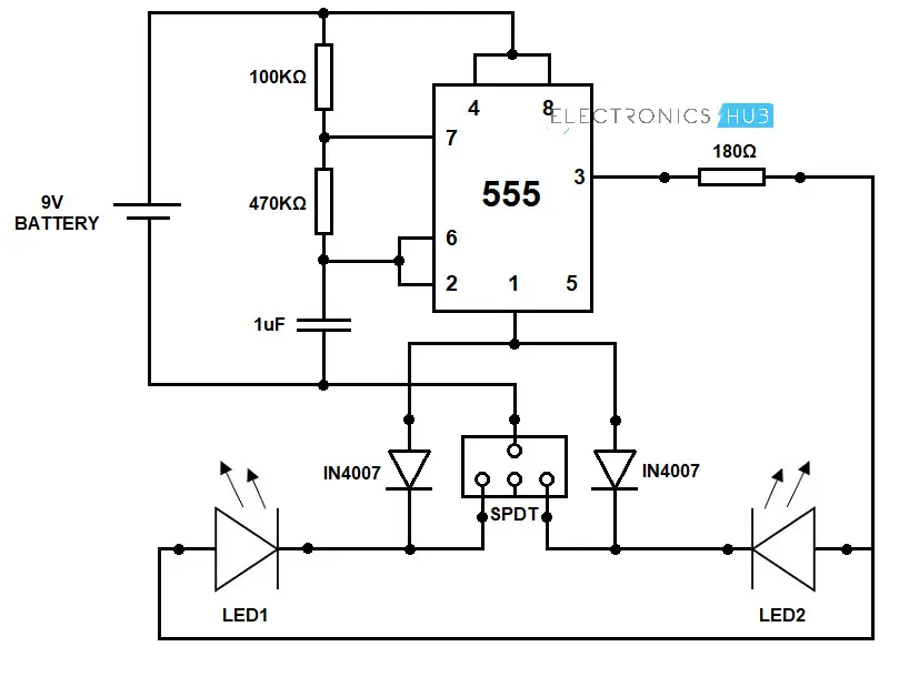
电路包含两个重要的电阻(100KΩ和470KΩ),它们连接到555定时器,并用于设置LED的时间延迟。555定时器集成电路的输出通过一个滑动开关连接到左侧指示灯LED或右侧指示灯LED。

1N4148信号二极管以反向偏置的方式连接在输出端,以维持输出端的恒定电流。BC547(NPN)晶体管根据基极电流切换LED的开启和关闭。330欧姆的电阻用于降低电压,否则LED可能会损坏。在这里,我们可以通过改变电阻或电容值来改变输出脉冲的宽度。

3. 自行车转向信号电路图

alt text

4. 电路元件

  • 电阻180Ω
  • 电阻100KΩ
  • 电阻470KΩ
  • 电容1µF
  • 555定时器集成电路
  • LED - 2个
  • 二极管(1N4007) - 2个
  • SPDT滑动开关
  • 9V电池
  • 连接导线
  • 面包板

5. 自行车转向信号指示电路设计

在该电路中,555定时器产生宽度可变的脉冲信号。通过改变电阻或电容值(100KΩ、470KΩ或1µF),可以改变脉冲宽度。将引脚2和6短接,以便在每个定时周期后触发。

第4引脚是复位引脚,它与VCC(第8引脚)短接,以避免意外复位。第7引脚是放电引脚,它通过一个470KΩ的电阻连接到第6引脚。下图向你解释了555定时器的工作原理。在该电路中,电容C通过电阻RA和RB充电。由于内部运算放大器的存在,电容C通过电阻RB放电。555定时器内部包含两个运算放大器、一个D触发器和一个NPN晶体管。

alt text
555定时器在无稳态模式下的工作

在上述电路中,脉冲在555定时器的第3引脚产生。通过改变RA、RB或C的值,我们可以改变脉冲宽度。脉冲的总周期为

T=THIGH+TLOW=0.693(RA+2RB)CT = T_{\text{HIGH}} + T_{\text{LOW}} = 0.693 (R_A + 2R_B) C

脉冲的频率为

f=1T=1.44(RA+2RB)Cf = \frac{1}{T} = \frac{1.44}{(R_A + 2R_B)C}

占空比的百分比为

%占空比,D=tcT×100=(RA+RB)(RA+2RB)×100\% \text{占空比}, D = \frac{t_c}{T} \times 100 = \frac{(R_A + R_B)}{(R_A + 2R_B)} \times 100

从555定时器获得的脉冲通过滑动开关应用于LED,使LED以一定的延迟开启和关闭。在这里,LED的工作电压约为2到3伏,但从电池中我们得到9伏的电源。因此,我们需要降低剩余的电压。为了降低这个电压,我们在LED串联了电阻。

alt text

6. 如何操作电路?

  • 最初,为电路提供9伏的电源。
  • 将开关滑到左侧位置,你可以观察到左侧指示灯LED开始以一定的延迟闪烁。
  • 如果将开关滑到右侧位置,右侧指示灯LED将闪烁。
  • 如果将开关滑到中间位置,两个LED都将关闭。
  • 如果你想为LED设置不同的时间延迟,那么可以改变电阻或电容值。
  • 现在你可以看到时间延迟的变化。
  • 通过改变电容值,你也可以看到LED的时间延迟。

注意:由于这是一个演示,我只在每个通道(左侧和右侧)使用了一个LED。但是,如果你想在每个通道集成多个LED,你可以使用每个通道上的一个晶体管和足够的电源来实现。

alt text

7. 自行车转向信号指示电路的应用

  • 用于指示摩托车或车辆的左转或右转。
  • 我们也可以将这个电路用作LED骑士巡逻灯电路
  • 我们可以将其作为礼物送给孩子们。