跳到主要内容

手机探测器电路设计、工作原理与电路图

如今最常用的电子设备之一就是手机(或称移动电话)。随着通信技术的发展,手机的需求急剧增加。手机通常在0.9至3GHz的频率范围内发送和接收信号。本文提供了一种简单的电路,通过检测这些信号来探测处于激活状态的手机。

我设计了两种手机探测器电路,一种使用肖特基二极管和电压比较器的组合,另一种使用双极型互补金属氧化物半导体(BiCMOS)运算放大器。

1.手机探测器电路的基本原理

手机探测器电路的基本原理是检测射频(RF)信号。在肖特基二极管电路中,肖特基二极管用于检测手机信号,因为它们具有能够整流低频信号且噪声率低的独特属性。当一个电感器靠近射频信号源时,它通过互感接收信号。该信号由肖特基二极管整流。这种低功率信号可以被放大,并用于驱动任何指示器,例如本文中的LED。

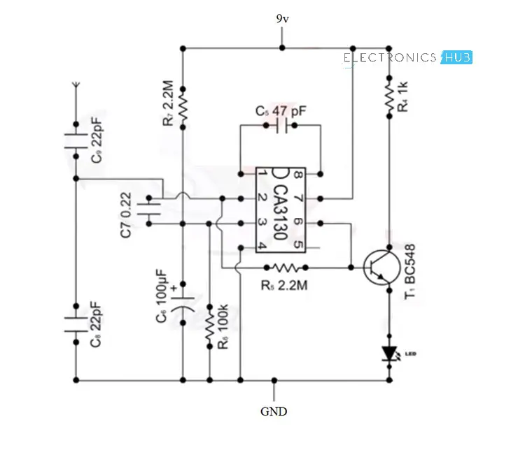
1.1 电路 1:简单的手机探测器电路

手机探测器的第一个电路是一个简单的实现,使用运算放大器和一些其他无源元件。

alt text

1.1.1 所需元件

  • CA3130运算放大器
  • 电阻——2.2MΩ × 2,100KΩ,1KΩ
  • 电容——22pF × 2,0.22nF,47pF,100µF
  • BC548 NPN晶体管
  • LED
  • 天线
  • 连接线
  • 面包板
  • 9V电池

2. 手机探测器电路工作原理

电路中的运算放大器部分作为射频信号探测器,而晶体管部分作为指示器。电容集合与天线一起用于检测手机在拨打电话、接听电话或发送/接收短信时产生的射频信号。

运算放大器通过将输入端的电流上升转换为输出端的电压来读取信号,从而激活LED。

2.1 电路 2:使用肖特基二极管的手机探测器

alt text
手机探测器电路图——ElectronicsHub.Org

电路元件

  • V1 = 12V
  • L1 = 10uH
  • R1 = 100Ω
  • C1 = 100nF
  • R2 = 100KΩ
  • R3 = 3KΩ
  • Q1 = BC547
  • R4 = 200Ω
  • R5 = 100Ω
  • IC1 = LM339
  • R6 = 10Ω
  • LED = 蓝色LED

3. 手机探测器电路设计

3.1 探测器电路设计

探测器电路包括一个电感器、二极管、电容和电阻。这里选择的电感器值为10uH。选择肖特基二极管BAT54作为探测二极管,它可以整流低频交流信号。选择的滤波电容为100nF陶瓷电容,用于滤除交流纹波。使用100Ω的负载电阻。

3.2 放大器电路设计

这里使用一个简单的双极型晶体管(BJT)BC547,采用共发射极模式。由于输出信号的值较低,因此在这种情况下不需要发射极电阻。集电极电阻的值由电池电压、集电极 - 发射极电压和集电极电流的值决定。

现在,选择电池电压为12V(因为BC547的最大开路集电极 - 发射极电压为45V),工作点集电极 - 发射极电压为5V,集电极电流为2mA。这给出了大约3KΩ的集电极电阻。因此,使用一个3KΩ的电阻作为Rc。输入电阻用于为晶体管提供偏置,并且应该选择较大的值,以防止最大电流的流动。这里选择100KΩ的电阻值。

3.3 比较器电路设计

这里使用LM339作为比较器。使用电位器设置反相端的参考电压。由于放大器的输出电压较低,因此将参考电压设置为4V左右的低值。通过选择200Ω的电阻和330Ω的电位器来实现。使用10Ω的输出电阻作为限流电阻。

alt text

4. 手机跟踪电路操作

在正常情况下,当没有射频信号时,二极管两端的电压可以忽略不计。即使这个电压被晶体管放大器放大,输出电压仍然低于施加到比较器反相端的参考电压。由于运算放大器的非反相端电压低于反相端电压,因此运算放大器的输出为低电平信号。

当手机靠近信号时,会在扼流圈中感应出电压,并由二极管解调。这个输入电压被共发射极晶体管放大。输出电压高于参考输出电压。因此,运算放大器的输出为高电平信号,LED开始发光,以指示手机的存在。电路需要放置在距离被探测物体几厘米的地方。

4.1 手机跟踪系统的工作原理

使用肖特基二极管检测手机信号

手机信号是一种射频信号。当手机靠近电路时,手机的射频信号通过互感在电感器中感应出电压。这个高频(GHz级别)的交流信号被肖特基二极管整流。输出信号由电容滤波。

肖特基二极管是由N型半导体材料与金属结合形成的特殊二极管,通常为低噪声二极管,工作在高频状态。这些二极管具有在非常低的正向电压(0.15至0.45V)下导通的独特属性。这使得二极管能够提供高开关速度和更好的系统效率。低噪声是由于其非常低的反向恢复时间(约100纳秒)。

alt text

使用双极型晶体管的信号放大器

双极型晶体管(BJT)在其共发射极形式下是最常用的放大器。晶体管放大器的工作原理是,输入基极电流被放大为输出集电极电流,放大倍数为β。这里发射极是公共端。

电路通过两个电阻组成的电压分配电路进行偏置。当晶体管处于有源区偏置时,即发射极 - 基极结正向偏置,集电极 - 基极结反向偏置时,较小的基极电流会导致较大的集电极电流。

LM339作为比较器

LM339是一种包含4个比较器的比较器集成电路。这里我们只使用其中一个比较器。当非反相端(+)的电压高于反相端的电压时,输出电压变高。当反相端的电压更高时,输出电压变低。

5. 手机探测器电路的应用

  1. 该电路可用于考试大厅、会议中检测手机的存在,防止使用手机。
  2. 它可用于检测用于间谍活动和未经授权传输音频和视频的手机。
  3. 它可用于检测被盗手机。

6. 手机探测器电路的局限性

  1. 它是一种低范围探测器,探测范围仅为几厘米。
  2. 具有较高势垒高度的肖特基二极管对小信号的灵敏度较低。