跳到主要内容

基于密码的电路断路器(设计与构建)

基于密码的电路断路器是一个简单的项目,通过密码来控制电路的通断。

如今,由于变电站与维修人员之间缺乏沟通,维修电气线路时发生电气事故的频率不断增加。

本项目旨在解决这一问题,确保维修人员的安全。

在本系统中,电气线路的控制(开/关)由维修人员掌握。

本项目的设计方式是,维修人员需要输入密码才能开启或关闭电气线路。为每条电气线路分别设置了密码。

1. 基于密码的断路器框图

alt text

2. 工作原理

电路的主要组件是8051单片机。本项目使用4×4矩阵键盘输入密码。输入的密码将与预设密码进行比较。如果输入的密码正确,则相应的电气线路将被打开或关闭。本项目为每条电气线路分别设置了密码。通过负载(灯泡)指示线路(断路器)的激活和停用状态。

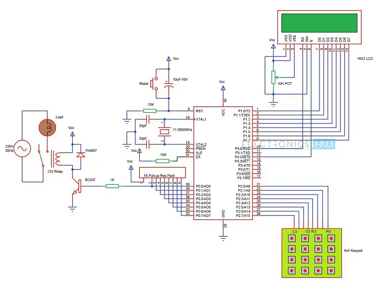
3. 基于密码的电路断路器电路图

alt text

3.1 所需组件

  • 8051单片机(AT89C52)
  • 8051开发板
  • 8051编程板(编程器)
  • 4×4矩阵键盘
  • 4通道继电器模块
  • 16×2 LCD显示屏
  • 10KΩ电位器
  • 4个负载(灯泡)
  • 电源
  • 连接线
  • 如果不使用8051开发板,则需要以下组件:
    • 11.0592 MHz石英晶体
    • 2×33pF陶瓷电容
    • 2×10KΩ电阻(1/4瓦)
    • 按钮
    • 10µF电解电容
    • 1KΩ×8上拉电阻包
  • 如果不使用继电器模块,则需要以下组件(针对一个负载):
    • 5V或12V继电器
    • 1KΩ电阻(1/4瓦)
    • BC547 NPN晶体管
    • 1N4007 PN结二极管

4. 基于密码的电路断路器电路设计

上述电路包括8051系列控制器(AT89C52)、4×4矩阵键盘、16×2 LCD显示屏、4通道继电器模块和四个负载。LCD数据引脚连接到PORT1,控制引脚RS、RW和EN分别连接到P3.0、GND和P3.1。这里使用LCD显示与负载相关的信息。

键盘连接到单片机的PORT2。键盘的四行引脚连接到P2.0至P2.3,四列引脚连接到P2.4至P2.7。通过此键盘输入密码。

四个灯(作为电气线路)通过4通道继电器模块连接到P0.0至P0.3。这些灯用于指示断路器的状态(灯亮表示线路激活,灯灭表示线路未激活)。

如果不使用继电器模块,则需要使用4个BC547 NPN晶体管(以及相应的限流基极电阻)来驱动继电器。

警告 :在将交流负载连接到继电器和主电源时,请务必小心谨慎。

alt text
alt text
alt text
alt text
alt text
alt text

4.1 算法

  1. 首先声明PORT1为LCD数据引脚及其控制引脚RS和E(分别连接到P3.0、P3.2和P3.7)。同时声明PORT2为键盘,并使用P0.0、P0.1、P0.2和P0.3连接到负载。
  2. 首先在LCD上显示“输入密码”。
  3. 现在从用户处读取五位密码。
  4. 将输入的密码与存储的密码进行比较。
  5. 如果密码匹配,则正确打开或关闭特定负载,并在LCD上显示线路(或负载)状态。
  6. 如果密码错误,则在LCD上显示“密码错误”。
  7. 经过一段时间的延迟后,再次提示输入密码。

5. 如何操作基于密码的电路断路器项目?

  1. 在Keil软件中编写基于密码的电路断路器的程序,并创建.hex文件。
  2. 使用8051编程板和Willar软件将程序烧录到控制器中。
  3. 按照电路图进行连接。
  4. 在连接时,请确保交流电和直流电之间没有共用连接。
  5. 使用5V电源电路为控制器提供稳定的5V直流电。
  6. 打开交流电和直流电的电源。
  7. 现在继电器输出引脚将获得230V。因此,请勿触摸连接到负载的引脚。
  8. LCD显示“输入密码”。
  9. 使用键盘输入密码。
  10. 如果密码正确,则断路器将改变其状态(即,如果已经打开,现在将关闭;如果已经关闭,现在将打开),并在LCD上显示线路(或负载)状态。
  11. 如果密码错误,则LCD将显示“密码错误”。
  12. 经过一段时间后,单片机会再次提示输入密码,通过显示“输入密码”。

6. 优点

  • 避免维修人员发生电气事故。
  • 项目简单易行。
  • 使用常见的组件。

7. 应用

  • 用于变电站,以确保维修人员的安全。
  • 用于建筑物和房屋中。
  • 用于酒店和购物中心,以节省电力。
  • 也可用作基于密码的电器控制或基于密码的负载控制系统。