跳到主要内容

检测到车辆移动时亮起的路灯

一般来说,路灯会在整个晚上保持开启状态,而在白天则关闭。但在夜间,如果没有交通,路灯是不必要的。如今,能源资源日益减少,节省这种能源是一个非常重要的因素。

自然资源的替代品非常有限,我们的下一代可能会因为缺乏这些自然资源而面临许多问题。我们已经在之前的帖子中看到了 自动控制路灯亮度 电路的电路图和工作原理。本文介绍了检测到车辆移动时亮起的路灯电路,并在固定时间后熄灭。

1. 检测到车辆移动时亮起的路灯

1.1 使用 AVR 微控制器检测车辆移动时亮起的路灯

1.1.1 电路原理

该系统由 Atmega8 微控制器、光敏电阻、PIR 传感器和实时时钟组成。该系统使用光敏电阻和 PIR 传感器控制路灯。

根据光敏电阻上的太阳光照强度,路灯会被打开。如果光敏电阻上的光照强度低,其阻值高。当完全黑暗时,其阻值会更高。这个阻值决定了路灯何时需要打开。

由于午夜时分电阻值最大,实时时钟开始发挥作用。控制器会检查交通高峰期,并在没有交通时关闭路灯。当道路上有车辆时,PIR 传感器会检测到。

每当 PIR 传感器检测到时,它就会指示微控制器打开路灯。然后路灯会亮 2 到 3 分钟,然后自动关闭。

另一种方法是,可以通过使用 PWM 维持最低亮度而不完全关闭路灯,并在检测到车辆时将它们调至最大亮度。但在本文中,电路被设计为完全关闭路灯,并且只有在有车辆时才会打开。

1.1.2 电路图

alt text
检测车辆移动时亮起的路灯电路图 — Electronics Hub

1.1.3 电路元件

  • ATmega8 微控制器
  • DS1307 集成电路
  • PIR 传感器
  • 光敏电阻(LDR)
  • 液晶显示器(LCD)
  • 发光二极管(LED)阵列

1.1.4 电路设计

该电路由 ATmega8 微控制器、PIR 传感器、光敏电阻和实时时钟、液晶显示器组成。

被动红外传感器,也称为 PIR 传感器,连接到微控制器的 PD0 引脚。PIR 传感器可以感应物体的运动。

PIR 传感器内部有一个红外探测器。世界上每个物体都会辐射一些红外线。这些红外线对人眼来说是不可见的,但电子元件可以检测到它们。不同物体发出的红外线波长不同。这些光线被 PIR 传感器检测到。PIR 传感器最初是高电平的,经过一段时间后会自动设置为低电平。每当它检测到任何物体的运动时,它就会变低。

光敏电阻连接到微控制器的 ADC 引脚 — ADC0,因为光敏电阻会产生模拟值,然后由 ADC 转换为数字值。

光敏电阻在有光时阻值低,在黑暗中阻值高。光敏电阻在黑暗中的阻值在欧姆范围内,而在黑暗中其阻值在兆欧姆范围内。当光照在光敏电阻上时,其阻值会大幅降低。

使用的实时时钟集成电路是 DS1307,它与 I2C 兼容。实时时钟有 8 个引脚。1 和 2 引脚连接到晶体振荡器。第 3 引脚连接到电池。RTC 的第 6 引脚连接到微控制器的 PC5 引脚。第 5 引脚连接到微控制器的 PC4 引脚。

I2C 是一种内部集成电路。这是一种两线接口协议,只使用两个信号在两个设备之间传输数据。

液晶显示器用于显示时间。电路图中显示了 4 位模式下液晶显示器的连接。从 RTC 读取时间并在液晶显示器上显示。

1.1.5 如何操作此电路?

  1. 首先为电路供电。
  2. 液晶显示器显示从 RTC 读取的时间。
  3. 将光敏电阻置于黑暗中。现在路灯亮起。
  4. 现在微控制器持续检查时间。路灯会在代码中写入的固定时间打开。
  5. 在此时间之后,它们会自动关闭。
  6. 将手放在 PIR 传感器前,这将再次打开路灯,表明在检测到任何物体时路灯会亮起。
  7. 经过 2 - 3 秒的延迟后,路灯会再次自动关闭。

1.2 使用 8051 和红外传感器检测车辆移动时亮起的路灯

1.2.1 电路图

alt text

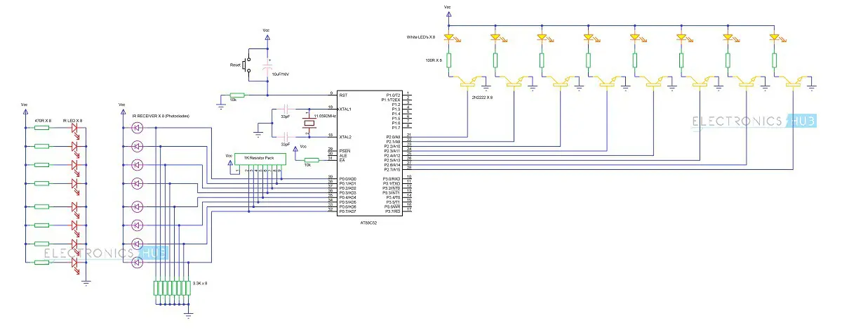
1.2.2 元件

1.2.2.1 微控制器部分
  • AT89C52 微控制器
  • AT89C52 编程板
  • 11.0592MHz 石英晶体
  • 22pF 陶瓷电容
  • 2×10K 电阻
  • 10uF 电解电容
  • 按钮
1.2.2.2 红外发射器和接收器部分
  • 8×红外发光二极管(红外发射器)
  • 8×470R 电阻
  • 8×光电二极管(红外接收器)
  • 8×3.3K 电阻
  • 1K×8 电阻包
1.2.2.3 负载部分
  • 8×2N2222 NPN 晶体管
  • 8×100R 电阻
  • 8×白色发光二极管

1.2.3 工作原理

该项目的工作原理基于红外传感器的功能。在这个项目中,我们将使用一种透射型红外传感器。

在透射型红外传感器中,红外发射器和接收器面对面放置,以便红外接收器始终能够检测到红外发射器发出的红外线。

如果红外发射器和接收器之间有障碍物,红外线将被障碍物阻挡,红外接收器将停止检测红外线。

这可以通过微控制器的帮助配置为打开或关闭发光二极管(或路灯)。

alt text
alt text
alt text
alt text

1.2.4 电路设计

该项目的主要元件是 AT89C52 微控制器、红外传感器(红外发射器和接收器)和发光二极管。

8051 微控制器的基本连接包括晶体、复位和外部访问。

为了使用片上振荡器,8051 微控制器需要一个外部时钟。这由一个晶体振荡器提供。一个 11.0592MHz 的石英晶体连接到 XTAL1 和 XTAL2 引脚,两个 22pF 陶瓷电容连接到它。

微控制器的复位电路由一个 10K 电阻、10uF 电容和一个按钮组成。复位电路的所有连接都显示在电路图中。

当连接到地时,外部访问引脚用于访问外部存储器。在这里,我们不使用任何外部存储器。因此,通过一个 10K 电阻将此引脚连接到 Vcc。

接下来要连接的硬件是红外接收器。我们将把 8 个红外接收器连接到微控制器的端口 0 引脚。为了将端口 0 用作 I/O 口,我们需要将外部上拉电阻连接到端口 0 引脚。

之后,将红外接收器的输出,即光电二极管的阳极连接到端口 0 引脚。光电二极管的阴极连接到电源。此外,一个 3.3K 电阻连接在阳极和地之间。

电路的下一部分是红外发射器。红外发射器不是微控制器连接的一部分,因为红外发射器的唯一工作是持续发射红外线。

因此,将 8 个红外发射器与对应的 8 个 470 欧姆限流电阻连接到电源。

最后,我们需要连接发光二极管。我们需要通过晶体管将发光二极管连接到微控制器的端口 2。8 个 2N2222 晶体管的基极连接到微控制器的端口 2,而晶体管的发射极连接到地。

一个发光二极管以及一个 100 欧姆的串联限流电阻连接到每个晶体管的集电极。

1.2.5 工作原理

该项目的目标是设计一个使用 8051 微控制器的路灯控制系统,该系统可以自动根据车辆的移动打开或关闭路灯。该项目的工作原理在此进行解释。

红外发射器直接与红外接收器对齐放置,以便红外接收器能够持续接收红外线。一旦红外接收器接收到红外线,微控制器将检测到逻辑 1。如果红外线被某种方式阻挡,微控制器将检测到逻辑 0。

因此,微控制器的程序必须编写成这样:当它检测到逻辑 0 时,它将打开发光二极管,这里指的是路灯;当它检测到逻辑 1 时,它将关闭发光二极管。

假设两个红外传感器,即红外发射器和红外接收器,被放置在道路的两侧。根据电路图,红外接收器连接到微控制器的 PORT0,而发光二极管连接到微控制器的 PORT2。

在开始时,如果没有障碍物,红外接收器会持续检测到由红外发射器发出的红外光。当一辆汽车或其他车辆阻挡了任何一个红外传感器时,微控制器将打开紧邻的三个发光二极管。

如果汽车阻挡了第一个红外传感器,微控制器将打开前三个发光二极管。当汽车向前移动并阻挡第二个红外传感器时,相应的接下来的三个发光二极管将被打开,而前一组的第一个发光二极管将被关闭。这个过程会以这种方式持续进行,适用于所有的红外传感器和发光二极管。

1.2.6 应用

  • 路灯控制电路可以用于普通道路、高速公路、高速公路等。
  • 该项目还可以用于购物中心、酒店、工业照明等的停车场区域。

1.2.7 优势

  • 如果照明系统全部采用 LED 灯,由于 LED 的使用寿命和耐用性高于通常用作路灯的霓虹灯,因此可以降低维护成本。
  • 由于路灯会自动打开或关闭,因此可以节省大量的能源。