跳到主要内容

基于8051单片机的双向访客计数器

本文介绍了基于8051单片机的双向访客计数器的设计与工作原理。主要目的是设计一个系统,用于跟踪进入或离开房间的人数,并在屏幕上显示。

当有人进入房间时,计数会增加;而当有人离开时,计数会减少。通过红外(IR)感应机制检测访客的存在,整个计数操作由单片机完成。

1. 基于8051单片机的双向访客计数器

在深入了解该电路之前,建议先了解 如何将16×2 LCD显示屏与8051单片机连接 ,因为我们在本项目中会用到这一概念。

2. 双向访客计数器电路原理

该电路基于红外(IR)感应原理工作。红外传感器是一种利用红外光源和光电探测器(如光电二极管或光敏晶体管)工作的设备,分别作为发射器和接收器。

在本项目中,我们使用红外LED作为红外发射器,光电二极管作为红外接收器。在房间入口的两端分别放置了两组红外传感器,每组由一个红外LED和一个光电二极管组成。

每组传感器的输出信号被送入单片机。在正常情况下,红外LED发出的光不会照射到光电二极管上,因为这是一种反射型红外传感器。此时,传感器的输出信号为低电平(逻辑0)。

当有人经过(中断光路)时,光电二极管开始接收红外光并导通。因此,传感器的输出信号变为高电平(逻辑1)。

单片机检测到每组传感器从低电平到高电平的跳变,并据此增加或减少计数。

2.1 双向访客计数器电路图

alt text

2.2 电路元件

以下是本电路中使用的元件及其对应值:

  • AT89C51(基于8051的单片机)
  • 8051编程器
  • 按钮
  • 10µF电解电容
  • 2 × 10KΩ电阻(1/4瓦)
  • 11.0592 MHz石英晶体
  • 2 × 33pF陶瓷电容
  • 16 × 2 LCD显示屏
  • 10KΩ电位器
  • 2 × 红外传感器(反射型)
  • 连接线
  • 电源
  • Keil µVision软件
  • Willar软件
  • Proteus

注意 :反射型红外传感器的详细电路在电路设计部分中有说明。

alt text
alt text
alt text
alt text
alt text

2.3 基于8051单片机的双向访客计数器电路设计

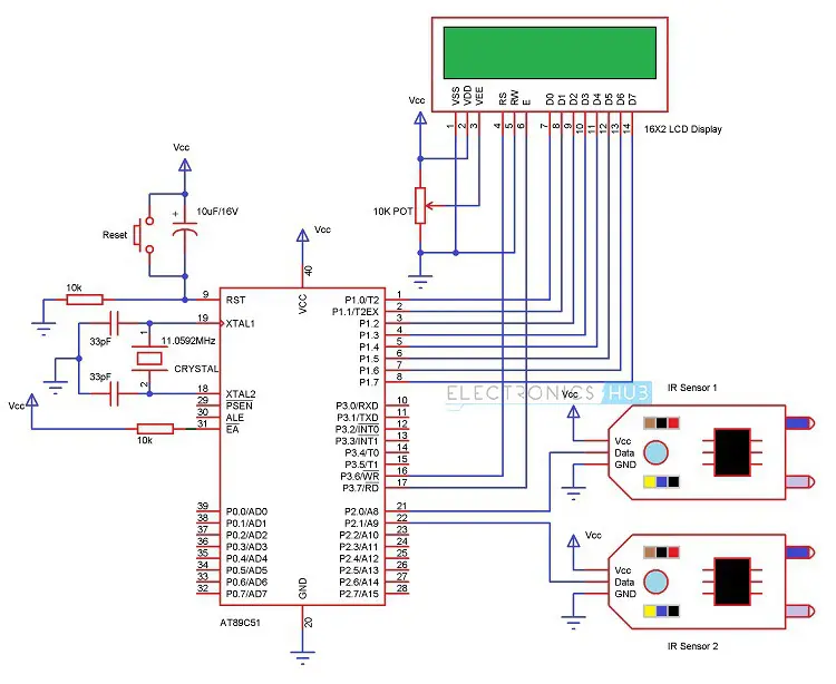
电路设计的核心在于单片机接口的设计。我们使用的是AT89C51单片机,它属于8051系列。

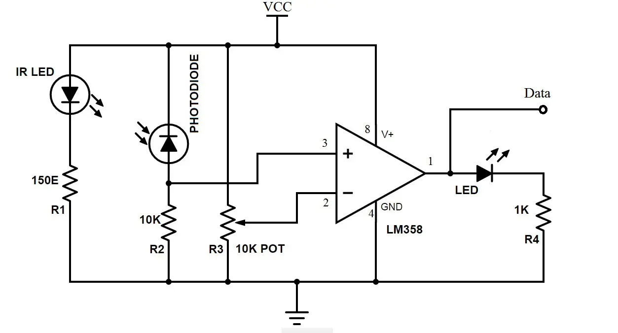
AT89C51单片机通过PORT2引脚(P2.0和P2.1)分别连接到红外传感器对。下图展示了本项目中使用的反射型红外传感器模块的电路图。

alt text

传感器电路的设计通过选择合适的电阻值来实现,包括红外LED和光电二极管的电阻。红外LED串联一个150Ω的限流电阻。

光电二极管以反向偏置的方式连接,并串联一个10KΩ的电阻。光电二极管和10KΩ电阻形成一个电位器,其输出连接到运算放大器(Op - Amp)的非反相输入端。

一个10KΩ电位器连接到反相输入端。通过调整这个电位器,可以改变红外传感器的灵敏度。使用16 × 2 LCD显示屏显示计数值。LCD的数据线连接到单片机的PORT1引脚。

控制引脚(RS、RW和E)分别连接到P3.6、GND和P3.7引脚。一个10KΩ电位器连接到LCD的对比度调节引脚(第3引脚)。

设计的另一个重要方面是振荡器电路和复位电路的设计。振荡器电路通过选择一个11.0592 MHz的石英晶体和两个33pF的陶瓷电容来设计。

复位电路通过选择一个10KΩ的电阻和一个10µF的电解电容来设计,以确保复位脉冲宽度为100ms,复位引脚电压降为1.2V。

2.4 如何操作双向访客计数器电路?

现在让我们看看基于8051单片机的双向访客计数器是如何工作的。

当系统通电时,单片机会首先初始化堆栈指针和其他所有变量。然后,它扫描输入引脚(P2.0和P2.1)。

与此同时,当红外传感器前方没有物体时,红外LED发出的光不会照射到第一组传感器对的光电二极管上,因此光电二极管不会导通。

因此,红外传感器的输出为低电平。换句话说,端口P2.0和P2.1处于逻辑低电平。如果有人站在红外传感器前方,红外LED发出的光会从人身上反射并照射到光电二极管上。

因此,光电二极管开始导通,传感器的输出变为高电平。换句话说,端口P2.0和P2.1处于逻辑高电平。

现在,当发生跳变时,即首先在端口P2.0,然后在P2.1接收到逻辑高电平时,单片机会将其视为中断,以感应红外LED和光电二极管前方的人或物体的通过或进入。

根据程序,计数值增加,并在16 × 2 LCD显示屏上显示该值。

如果单片机首先在P2.1,然后在P2.0感应到逻辑高电平,它会假设有人正在离开房间,并根据程序,单片机会减少计数并在LCD上显示。

程序确保只有当两个传感器都检测到人时,计数才会增加或减少。

2.5 双向访客计数器电路的应用

  1. 基于8051单片机的双向访客计数器可用于家庭聚会,以指示进入的人数。
  2. 它可用于官方会议。
  3. 它可用于家庭和其他场所,以检查进入安全场所的人数。
  4. 它还可以用作家用自动化系统,通过仅在需要时开启负载和风扇,实现节能。

2.6 该电路的局限性

  1. 它是一种低范围电路,无法在大面积区域实施。
  2. 随着计数值的频繁变化,一段时间后输出可能会令人困惑。