跳到主要内容

8051单片机控制的水位控制器

基于8051单片机的水位控制器项目能够自动控制水电机,通过检测水箱中的水位实现。本文将介绍如何检测和控制水箱或其他容器中的水位。该系统能够监测水箱的水位,并在水箱为空时自动开启电机。

当水箱或容器满时,电机将被关闭。在此系统中,水箱的水位会在液晶显示器(LCD)上显示。通过该系统,我们可以避免水箱溢出。

我们之前已经讨论过使用AVR单片机的水位指示电路的工作原理。然而,在这里,我们设计了一个使用8051单片机自动检测和控制水箱水位的电路。

1.8051单片机控制的水位控制器电路原理

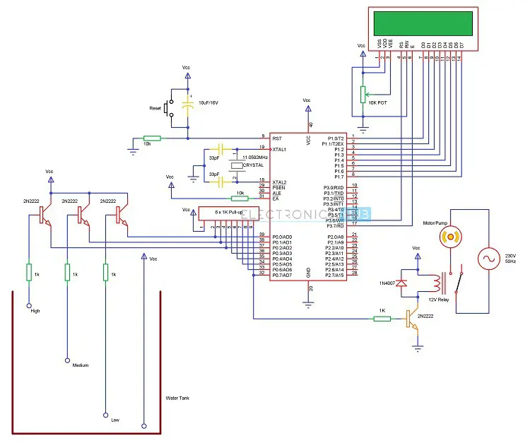
该系统主要基于“水能够导电”的原理。插入水箱中的四根导线将指示不同的水位。根据这些导线的输出,单片机将在LCD上显示水位,并控制电机。

当水箱为空时,LCD将显示“LOW”(低水位),电机将自动运行。当水位达到半满时,LCD将显示“HALF”(半满),电机继续运行。

当水箱满时,LCD显示“FULL”(满),电机将自动停止。当水箱水位再次变低时,电机将重新启动。

2.8051单片机控制的水位控制器电路图

alt text

3.8051单片机控制的水位控制器所需组件

  • AT89C51单片机(或任何基于8051的单片机)
  • 8051编程器(编程板)
  • 11.0592 MHz石英晶体
  • 2 × 33pF电容
  • 2 × 10KΩ电阻(1/4瓦)
  • 10µF电容
  • 按钮
  • 1KΩ × 8电阻包(用于上拉)
  • 16 × 2 LCD显示屏
  • 5V继电器
  • 4 × 2N2222(NPN)晶体管
  • 直流电机(用于演示)
  • 10KΩ电位器
  • 1N4007 PN结二极管
  • 编程电缆
  • 连接线
  • 电源
  • Keil µVision IDE
  • Willar软件(用于烧录代码)
  • Proteus(用于电路图)
alt text
alt text
alt text
alt text
alt text
alt text

4.如何设计8051单片机控制的水位控制器电路?

8051单片机控制的水位控制器项目的核心是AT89C51单片机。水位探针通过晶体管连接到P0.0、P0.1和P0.2(通过相应的限流电阻连接到晶体管的基极)。P0.0用于低水位,P0.1用于半满水位,P0.2用于高水位。

晶体管的集电极连接到VCC,发射极连接到PORT0引脚(P0.0、P0.1和P0.2)。

单片机的PORT1连接到LCD的数据引脚,LCD显示屏的控制引脚RS、RW和EN分别连接到P3.6、GND和P3.7。

为了演示,我们使用了一个简单的直流电机泵。它连接到继电器,继电器的输入通过一个晶体管从P0.7引脚获取。

5.8051单片机控制的水位控制器电路算法

  • 首先配置控制器引脚P0.0、P0.1和P0.2为输入,P0.7为输出。
  • 初始化LCD。
  • 持续检查水位输入引脚P0.0、P0.1和P0.2。
  • 如果所有引脚均为低电平,则在LCD上显示“EMPTY”(空),并将P0.7引脚置为高电平以自动运行电机。
  • 如果水位低,即P0.0为高电平,则在LCD上显示水位为“LOW”(低),并继续运行电机。
  • P0.1上的高脉冲表示水位已达到半满。因此,在LCD上显示相同信息,并正常运行电机。
  • 如果P0.2为高电平,则水箱中的水位为“FULL”(满)。
  • 现在,将P0.7引脚置为低电平以自动关闭电机。

6.如何操作8051单片机控制的水位控制器电路?

  1. 首先,在Keil µVision IDE中编写水位控制器的程序,并生成.hex文件。
  2. 使用外部编程器和Willar软件将程序(.hex文件)烧录到单片机中。
  3. 按照电路图连接线路。
  4. 在连接时,请确保交流电和直流电之间没有共用连接(如果您使用的是交流电机)。
  5. 将4根水位指示导线放入小水箱中(3根探针用于三个不同的水位,第四根用于公共电源)。
  6. 接通电源。由于水箱中没有水,电机将自动运行(即使水位低,也会启动)。
  7. 倒入水,当水位达到低水位时,LCD显示“LOW”(低)。
  8. 当水位达到中等水平时,LCD将显示“HALF”(半满)。
  9. 如果继续倒水,水位达到满水位,LCD显示“FULL”(满),电机将自动关闭。
  10. 关闭电机电源和控制板电源。

7.8051单片机控制的水位控制器电路的优点

  • 由于系统可以根据水位自动控制电机,减少了人力劳动。
  • 该系统功耗低。
  • 简单且可靠。

8.8051单片机控制的水位控制器的应用

  • 用于大型建筑中,手动监测较为困难的场合。
  • 用于工业中自动控制液体水平。